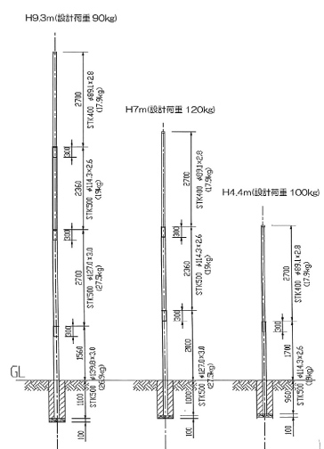
現場組立式鋼管ポールです。
|
![]() |

| 地上高 | 頂部設計荷重 | 使用鋼管 | |||||||
| 使用位置 | 鋼管種類 | パイプ径 | 肉厚 | 長さ | 重量 | ||||
| 9.3m柱 | 90kg | 上管 | STK400 | 89.1 | × | 2.8 | × | 3,000 | 17.9Kg |
| 中管 | STK500 | 114.3 | × | 2.6 | × | 2,660 | 19.0kg | ||
| 中管 | STK500 | 127.0 | × | 3.0 | × | 3,000 | 27.5kg | ||
| 下管 | STK500 | 139.8 | × | 3.0 | × | 2,660 | 26.9kg | ||
| 地上高 | 頂部設計荷重 | 使用鋼管 | |||||||
| 使用位置 | 鋼管種類 | パイプ径 | 肉厚 | 長さ | 重量 | ||||
| 7.0m柱 | 120kg | 上管 | STK400 | 89.1 | × | 2.8 | × | 3,000 | 17.9Kg |
| 中管 | STK500 | 114.3 | × | 2.6 | × | 2,660 | 19.0kg | ||
| 下管 | STK500 | 120.0 | × | 3.0 | × | 3,000 | 27.5Kg | ||
| 地上高 | 頂部設計荷重 | 使用鋼管 | |||||||
| 使用位置 | 鋼管種類 | パイプ径 | 肉厚 | 長さ | 重量 | ||||
| 4.4m柱 | 100kg | 上管 | STK400 | 89.1 | × | 2.8 | × | 3,000 | 17.9Kg |
| 下管 | STK500 | 114.3 | × | 2.6 | × | 2,660 | 19.0kg | ||
設計条件 柱体風圧(風速34m/sec)を除く